如若转载,请注明出处:http://www.waiqiumianzhouchengzuo.com/product/1.html
更新时间:2025-11-04 11:28:19
供应产品-粉末冶金轴承-中国机电市场
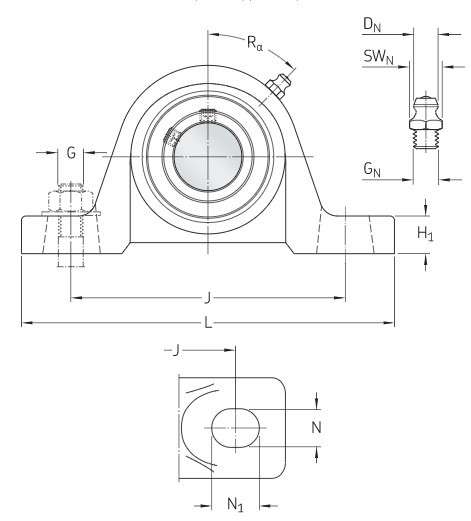
轴承座-SNL SNU SN轴承座采购平台求购产品详情
UCFU207外球面轴承、轴承型号、轴承厂家、轴承尺寸、轴承座_轴承栏目
供应ukp215 东莞tr轴承座 外球面轴承东莞专业批发商
内锥孔外球面轴承配轴承座 和紧定套 ukfs316+h2316
韶关FAG轴承佛山FAG江门FAG湛江FAG茂名FAG进口外球面轴承座FB203_轴承栏目
漳州塑料轴承座 外球面轴承座 POMPP塑料轴承 09/22图片,漳州塑料轴承座 外球面轴承座 POMPP塑料轴承 09/22图片大全,厦门求正机电设备-
UCFC207外球面轴承、轴承型号、轴承厂家、轴承尺寸、轴承座
轴承座外球面带座轴承方形座UCF201F202F203F204F205F206F207F208F2 UCF201【内径12MM】
NSK外球面轴承座NSK轴承HR30215J[供应]_轴承_世界工厂网中国产品信息库